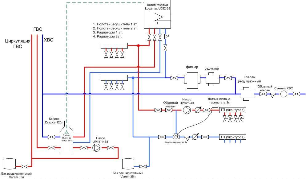
Конструктивные составляющие
С технической точки зрения газовый котел Нева настенный безупречен. В нем реализованы все технические достижения в теплотехнике, а также разработки в области электронного управления контурами отопления.
Конструктивно котел газовый двухконтурный Нева состоит из следующих связанных между собой систем:
- система управления, состоящая из электронного блока, управляющего работой котла и обеспечивающий безопасность, и жгута электропроводов, соединяющего датчики, электронную плату и другие устройства в единую систему;
- гидравлическая система, включающая насос для принудительной циркуляции, автоматический клапан для удаления воздуха, теплообменник для нагрева теплоносителя, вторичный теплообменник для системы ГВС;
- газовая система включает блок горелочный, который обеспечивает равномерное и полное сгорание газо-воздушной смеси в камере сгорания, и трансформатор розжига для создания искры на свече розжига, которая автоматически зажигает газовую смесь;
- система дымоудаления, в которую входит вентилятор для принудительного удаления продуктов горения и дымоход;
- система настройки и регулировки, состоящая из регулятора подачи газа на блок горелок, датчика температуры контура отопления, датчика температуры ГВС, датчика протока контура ГВС.
Руководство для пользователя .
Руководство для пользователя
Благодарим Вас за то, что Вы отдали предпочтение нашему изделию. Вы приобрели
отопительный газовый двухконтурный настенный котел с принудительной циркуляцией теплоносителя «NEVALUX».
При покупке котла проверьте: комплектность поставки (см. раздел 23, стр. 50) и товарный вид котла; соответствие вида газа (природный или сжиженный), используемого у Вас, виду газа,
20 и 21 (стр. 48) данного Руководства и в табличке на облицовке котла.
Также требуйте заполнения торгующей организацией талонов на гарантийный ремонт. При покупке котла с использованием кредита должен быть составлен график платежей с
указанием полной суммы, подлежащей выплате. График платежей должен быть подписан Покупателем с указанием даты и расшифровкой подписи.
Котел и данное Руководство являются двумя неотъемлемыми составляющими предлагаемого
товара. Руководство содержит сведения о порядке установки котла, правилах его эксплуатации и технического обслуживания, соблюдение которых обеспечит длительную безотказную и безопасную работу котла. Пожалуйста, внимательно ознакомьтесь с Руководством перед вводом котла в эксплуатацию, следуйте приведенным в нем указаниям и бережно храните его для дальнейшего пользования.
Телефон Службы единой технической поддержки
(звонок на территории России бесплатный, время работы службы: с ПН по ПТ с 9.00 до 17.00 (мск))
Установка котла допускается только в нежилых помещениях с температурой не ниже +5 0С в
строгом соответствии с Проектом газификации, СП 62.13330.2011 «Газораспределительные системы. Актуализированная редакция СНиП 42−01−2002», СП 41−108−2004 «Поквартирное теплоснабжение жилых зданий с теплогенераторами на газовом топливе», СНиП 41−01−2003 «Отопление, вентиляция и кондиционирование» и Правилами пожарной безопасности (ППБ 01-03).
Все работы по установке, монтажу, инструктаж владельца, профилактическое обслуживание,
устранение неисправностей и ремонт производятся только специализированной сервисной организацией.
Котел не предназначен для использования лицами (включая детей) с пониженными умственными
способностями или при отсутствии у них жизненного опыта.
Ответственность за безопасную эксплуатацию котла и содержание его в надлежащем состоянии
несет его владелец. Несоблюдение изложенных в Руководстве мер безопасности и правил установки, пользования и технического обслуживания может привести к выходу котла из строя, пожару, ожогу, отравлению газом или окисью углерода (СО) и поражению электрическим током.
ООО «Армавирский завод газовой аппаратуры» постоянно ведет работу по усовершенствованию
выпускаемой продукции и оставляет за собой право вносить необходимые изменения в конструкцию
котла. Данные изменения могут быть не отражены в данном Руководстве
Заказал именно эту модель.
5
Рекомендую
Достоинства: Выбрал этот котёл потому что:
1. У кого колонки Нева стоят бед не знают… проблем не имеют… один позитив…
2. Сервисных центров в городе по ремонту Невы Люкс полно…
3. Ценник озвучили 23800 руб. мощность котла 30 кВт…. , по такой же мощности котлы типа Бакси и Вайлонта стоят 40-50 рублей.
Недостатки: Буду рад услышать про болячки и прочие недостатки NevaLux 8230, если таковые найдутся… Как я понял, эта модель 2013 года выпуска, т. е свежая… возможно до болячек пока дело не дошло. ..
Отзыв: Вообще настенных котлов с такой мощностью немного…
В магазинах в основном 16-24 кВт продают, для квартиры в многоэтажке пойдёт, а для частного сектора лучше брать мощнее….
Запас мощности хлеба не просит, а котёл работает уверенней..
Модельный ряд котлов Нева люкс
Хорошо известная потребителю люкс серия подразделяется на две категории:
- Для отопления квартиры или дома лучше всего подходит настенный одноконтурный котел нева. Вместо контура ГВС можно установить бойлер косвенного нагрева. Модуляционная горелка, установленная в такие котлы, благодаря автоматически изменяющейся интенсивности горения позволяет добиться высокой экономичности оборудования. Газовый одноконтурный котел 8618 привлекает покупателей своей низкой стоимостью и простотой конструкции, а также отсутствием сложной энергозависимой автоматики.
- Двухконтурный котел 7218 люкс серии от компании нева имеет исключительно положительные отзывы благодаря своей практичности и эффективности. Современная автоматика позволяет точно следить за температурой теплоносителя и воды в контуре ГВС. Кроме этого, в некоторых моделях предусмотрены дополнительные отводы для системы теплых полов. Установленная автоматика способна осуществлять контроль над каждым контуром отдельно. Наибольшей популярностью пользуются модели 7218 и 8224.
Совет! Можно установить отдельный термостат, который будет следить за температурой в комнате и передавать сигнал на газовый котел о включении только при снижении температуры. Такая особенность позволяет существенно снизить затраты на отопление.
Теперь давайте рассмотрим более подробно, какие модели котлов нева наиболее популярны среди потребителей.
Модель Neva Lux 7218
Для отопления жилой площади до 180 м2 лучше всего подходит агрегат нева люкс 7218. Контур ГВС предназначен для повышения комфорта и обеспечивает жильцов горячей водой. Этот двухконтурный аппарат оснащен битермическим теплообменником, что снижает стоимость на котел 7218 и сохраняет на высоком уровне все пользовательские функции.

Отопительный газовый аппарат нева 7218 имеет такие технические характеристики и особенности конструкции:
- Используется камера сгорания закрытого типа.
- Диапазон рабочей температуры в контуре отопления и ГВС аппарата 7218 составляет от 30 до 85 °C.
- Дополнительные настройки помогут перевести агрегат в работу на сжиженном газе.
- КПД модели 7218 составляет 90%.
- Электронный блок безопасности производит непрерывный контроль пламени. Это происходит как при работе отопления, так и контура ГВС.
- Эргономичный котел нева 7218 люкс поступает в продажу с европейскими комплектующими, что имеет положительные отзывы клиентов.
Модель Neva Lux 8224
Этот настенный аппарат нева люкс 8224 обладает следующими конструктивными особенностями:
- Увеличенная мощность позволяет использовать двухконтурные котлы 8224 для отопления площади до 250 м?.
- Уникальная камера сгорания имеет водяное охлаждение, что значительно повышает срок службы всех деталей.
- Микропроцессорное обеспечение, установленное в котлы 8224, обуславливает поддержание заданной температуры. Погрешность составляет менее 1 градуса.
- Кроме того, газовый аппарат 8224 оборудован двумя теплообменниками: медным для контура отопления и пластинчатым из нержавеющей стали для ГВС.

Также управление оборудованием в модели 8224 вышло на новый уровень: добавилась возможность дистанционного управления и подключения ПК для диагностики и более точной настройки.
Совет! В агрегатах нева 8224 люкс установлен цифровой дисплей, на него выводится вся текущая информация от автоматической системы самодиагностики.
Все эти нововведения имеют похвальные отзывы потребителей.
Модель Neva Lux 8618
Модель нева люкс 8618 представляет собой одноконтурный газовый котел. В сравнении с напольными агрегатами такой же мощности, модель нева 8618 имеет более высокий КПД (до 90%) и отличается пониженным расходом газа.
Настенные котлы Neva Lux 8618 имеют такие особенности:
- Компактные размеры позволяют монтировать агрегат даже в небольших помещениях, не загромождая пространства.
- Надежность и полную адаптацию к отечественным условиям эксплуатации модели 8618 подтверждают многочисленные положительные отзывы об этом аппарате.
- Циркуляционный насос, встроенный в газовый котел 8618 от компании нева, позволяет производить установку в уже смонтированные системы отопления.
Кроме этого, такие настенные котлы имеют возможность подключения:
- Бойлера косвенного нагрева.
- Вентилятора принудительного дымоудаления.
- Комнатного термостата, который делает агрегат еще более экономичным.
Совет! Еще одна особенность: газовые котлы этой модели способны работать при снижении давления до 0,3 бар в газовой магистрали.
https://youtube.com/watch?v=9S2J_tGLzK4
Характеристики NEVA 4511
Водонагреватель похож на модель 4510 по типу розжига, цветовому оформлению, наличию ЖК-дисплея. Но мощность и производительность отличаются: 21 кВт и 11 л/мин. Кроме того, медный теплообменник здесь чуть больше, чем в предыдущем нагревателе. Он изготовлен без олова и свинца.
Сам производитель называет модель 4511 хитом продаж. Однако некоторые покупатели жалеют о приобретении. Людям не нравится быстрая изнашиваемость деталей, возможные перебои в работе колонки. Среди плюсов пользователи называют компактные размеры, надежность, возможность регулировать температуру воды.
Особенности эксплуатации
Прежде чем приступить к эксплуатации Нева Люкс, ознакомьтесь с инструкцией производителя. Да, котел прост в использовании, но соблюдение элементарных правил поможет продлить срок службы и уберечь жилище от непредвиденных проблем.
На внешней крышке корпуса находятся два регулятора – для отопления и ГВС. Установка на «ноль» означает исключение контура из работы. Рядом находится кнопка сброса заданных параметров.
Алгоритм работы Нева Люкс построен на принципе «включил и забыл». Достаточно единожды выставить температуру, и ее параметры не изменятся ни при каких обстоятельствах.
Если пропадет электричество, то после появления режим восстановится автоматически.
В программу управления включен экономный режим, позволяющий не выключать нагреватель в период кратковременных отъездов. Возможно программирование на несколько дней вперед. Дополнительное удобство пользователю обеспечивает дистанционный пульт управления.
При прекращении поступления газа для предотвращения размораживания системы отопления зимой предусмотрен режим предотвращения замерзания теплоносителя. Вода при этом циркулирует по системе при неработающей горелке.

Пульт управления Нева Люкс
Подключение внешних сенсоров температуры облегчает контроль за температурным режимом. Датчик устанавливают в самой удаленной от нагревателя комнате. Если температура воздуха в ней упадет ниже запрограммированной, котел включится (горелка) и восстановит параметр. Допускается устанавливать 2-3 сенсора одновременно в разных местах.
Датчик температуры на улице тоже облегчает задачу, но его включение в схему не рекомендуется ввиду различного рода помех в виде солнечного нагрева, ветра или воздуха с повышенной/пониженной влажностью. Устанавливают такой датчик в проверенных местах, исключающих или сводящих к минимуму воздействие «вредных» факторов.
Камера сгорания
Завод «Газаппарат» выпускает водонагреватели с обоими вариантами топок — закрытой и открытой. В первом случае используется принудительная тяга, во втором — естественная.
К моделям с закрытой камерой подсоединяют коаксиальный дымоход. Его конструкция позволяет одновременно отводить газы и поставлять воздух для горения. Открытые камеры предполагают поглощение воздуха из помещения. Таким модификациям нужен традиционный дымоход.
Версии с открытыми топками устанавливают в помещениях, отвечающих требованиям безопасности:
- площадь от 8 м²;
- эффективная вентиляционная система из термоустойчивого материала.
Новинка компании – котёл Турбо
Котлы Нева Турбо — это, по сути, измененная версия уже привычной модификации Lux, с учетом недостатков предыдущих версий. Модели имеют следующие технические характеристики:
Котлы Турбо являются энергозависимыми. Электропитание котла обеспечивается подключением к обычной сети напряжения в 220 V. Для стабильной работы потребуется установка ИБП и генератора.
Простота обслуживания и эксплуатации
Достаточно подключить установку к системе отопления и электроснабжения и начать отапливать дом или квартиру. На практике, при условии уже готовой системы отопления, все работы занимают около 3-4 часов.
После установки нет необходимости переживать по поводу безопасности работы станции. Последовательность работы автоматики полностью исключает возможность утечки газа, создания аварийной ситуации, даже если происходит незапланированное отключение электроэнергии.
Основные отличия котлов Нева
Модификация Турбо обеспечивает экономный расход газа и при условии правильной эксплуатации полностью окупается уже через несколько лет.
Расчет мощности и температуры тёплого водяного пола
Российские настенные газовые двухконтурные котлы Neva обеспечивают потребителям максимальный комфорт при переходе на автономное отопление и ГВС. Это оборудование предназначено для эксплуатации в многоквартирных жилых помещениях и в загородных домах. Для производств котлов используются современные материалы, а также высококачественные комплектующие от лучших европейских поставщиков. Проектировщики предприятия ведут постоянный научный поиск, обкатывая прототипы новых моделей на опытном перед запуском в серийное производство
Благодаря этому удается исправить все недочеты, повышается технологичность производства и, что немаловажно для газового оборудования, возрастает степень его надежности. Отечественный производитель БалтГаз реализовал в газовых двухконтурных котлах Нева люкс два конструктивных варианта исполнения. Так в котлах 72-й серии, а также в котле BaltGaz 18 DBF установлен единый битермический теплообменник для работы с контурами отопления и ГВС
Так в котлах 72-й серии, а также в котле BaltGaz 18 DBF установлен единый битермический теплообменник для работы с контурами отопления и ГВС
Такое решение позволило снизить производственные затраты, что положительно сказалось на ценообразовании данной продукции. Кроме того в изделиях 72-й серии обеспечен точный температурный контроль с допуском в 1 0 С. В моделях 82-й и 86-й серии применена традиционная компоновка с двумя теплообменниками — медным для отопительного контура и пластинчатым для контура горячего водоснабжения. Вся линейка двухконтурных котлов, за исключением модели Nevalux-8624, оснащена закрытой камерой сгорания. Кроме вышесказанного газовые двухконтурные котлы Nevalux отличаются тепловой производительностью и незначительными деталями в конструкции:
- Nevalux-7211 — тепловая мощность 11 кВт, битермический теплообменник, максимальная площадь отопления — 110 м 2
- Nevalux-7218 — тепловая мощность 18 кВт, битермический теплообменник, максимальная площадь отопления — 180 м 2
- Nevalux-7224 — тепловая мощность 24 кВт, битермический теплообменник, максимальная площадь отопления — 240 м 2
- BaltGaz 18 DBF — тепловая мощность 18 кВт, битермический теплообменник, максимальная площадь отопления — 180 м 2
- Nevalux-8624 — тепловая мощность 24 кВт, медный теплообменник (отопление) и пластинчатый теплообменник (ГВС), максимальная площадь отопления — 240 м 2
- Nevalux-8224 — тепловая мощность 24 кВт, медный теплообменник (отопление) и пластинчатый теплообменник (ГВС), максимальная площадь отопления — 240 м 2
- Nevalux-8230 — тепловая мощность 30 кВт, медный теплообменник (отопление) и пластинчатый теплообменник (ГВС), максимальная площадь отопления — 300 м 2
настенными котлами
Настенные газовые котлы среди потребителей, имеющих дом или небольшой коттедж, пользуются огромным спросом. Связано это с преимуществами оборудования этого типа. Так, настенный котёл отличается небольшими внешними размерами, благодаря чему, оборудование может быть установлено в помещении с минимальной потерей пространства. Оборудование не шумит в процессе работы и способно стабильно выполнять поставленные задачи вне зависимости от условий эксплуатации. Многие пользователи для установки в системы отопления своих домов выбирают двухконтурный газовый настенный котел Нева Люкс, с преимуществами и основными техническими характеристиками которого познакомимся ниже.
Neva Lux 8224 — бюджетный двухконтурный котел

Отопительное оборудование – это особая ниша рынка бытовой техники, в которой есть свои лидеры. И одним из таких является отечественная компания BaltGaz, которая покорила российского покупателя и потребителей из стран СНГ техникой, выпускаемой под брендом Neva Lux.
На сегодняшний день производитель демонстрирует немалые успехи в нише водонагревательного оборудования и газовых котлов. И одной из наиболее популярных моделей, выведенных на рынок компанией BaltGaz, является газовый котел Neva Lux 8224.
О популярной модели neva lux 8224
Если вам нужен надежный двухконтурный котел, то имеет смысл в первую очередь присмотреться именно к этой модели, ведь ее по праву можно считать одним из эксклюзивных предложений на рынке за столь скромные деньги. В чем же заключается особенность данной техники?
Не секрет, что продукция отечественного производства во все времена стоила значительно дешевле европейский аналогов.
И именно демократичная цена является главным преимуществом модели Neva Lux 8224 по сравнению с импортными конкурентами.
Очевидно, что компания BaltGaz, стремясь удовлетворить максимум пожеланий покупателя за относительно небольшие деньги, «одарила» агрегаты Neva Lux 8224 достаточно обширной для своего ценового сегмента комплектацией. Отметим следующие особенности данной конструкции:
- Наличие двух теплообменников – для ГВС и отопления;
- Способность агрегата самостоятельно поддерживать температуру теплоносителя на заданном уровне с погрешностью в 1 градус по Цельсию;
- Возможность агрегации с внешним термостатом;
- Наличие многоуровневой системы безопасности, которая гарантирует долгий срок службы;
- Электронное управление работой горелки, автоматическая система зажигания, а также постоянная электронная модуляция пламени;
- Наличие жидкокристаллического монитора, который позволяет контактировать с техникой через удобный и понятный интерфейс;
- Наличие системы самостоятельной диагностики ошибок и неисправностей;
- Встроенный циркуляционный насос и большой расширительный бак, делающий работу системы еще безопаснее.
Не секрет, что для среднестатистического котла европейского производства набор опций газового котла Нева Люкс 8224 считается нормой.
Большинство современных немецких котлов комплектуется гораздо более продвинутыми системами безопасности, а по параметру экономичности они превосходят отечественную технику.
Важно
И, тем не менее, демократичная цена и репутация компании как производителя «со стажем» стали причиной немалого спроса на газовый котёл Нева Люкс 8224.
Рассмотрим подробнее технические параметры данной модели, дабы убедиться в том, что ее популярность на отечественном рынке и рынке стран СНГ действительно заслужена.
Технические особенности модели
Агрегат Neva Lux 8224 комплектуется закрытой камерой сгорания, воздух в которой нагнетается с помощью встроенной турбины. В комплекте с оборудованием поставляется труба, облегчающая монтаж техники.
Эта модель имеет два теплообменника для контура ГВС и отопления. Номинальная мощность Neva Lux 8224 достигает 24 кВт, что говорит о том, что владельцы жилой площади до 230-250 квадратных метров могут смело покупать этот аппарат, так как он обеспечит дом теплом в любое время года.
В своем самом производительном режиме котел потребляет 2.62 кубических метров газа. При этом агрегат может похвастаться довольно высоким КПД на уровне 92.5%. При температуре теплоносителя на уровне 25 градусов Цельсия газовый котёл Нева Люкс 8224 способен производить до четырнадцати литров горячей воды в минуту.
В комплекте с котлом Нева Люкс 8224 идет инструкция, которая облегчит процесс монтажа. При этом перед установкой нужно учитывать, что котел имеет вход и выход отопительного контура G 3/4 дюйма, вход газа G 3/4 дюйма, а также вход и выход контура ГВС G 1/2 дюйма.
Небольшой вес с упаковкой в 36.5 кг и скромные габариты 720х410х326 мм в немалой степени облегчают монтаж агрегата и его транспортировку от места покупки к дому. При этом пусть вас не смущает небольшой вес – аппарат рассчитан на эксплуатацию в экстремальных условиях Сибири при низких температурах и работает серьезней, чем выглядит.
Российские инженеры очень серьезно подошли к созданию универсального отопительного агрегата, что видно по конструкции Neva Lux 8224. Если вы как покупатель ищите гармонии между ценой и качеством, то многие специалисты рынка посоветуют вам именно эту модель, ведь надежность, простота в эксплуатации и адаптивность к российским условиям – принципиальные плюсы этого котла.
Модельный ряд газовых колонок Нева
Колонка газовая Нева 4510
Одной из популярных моделей является газовая колонка Нева 4510. Агрегат оснащается электронной автоматической системой розжига. Производительность водонагревательного оборудования составляет 10 л/мин.

Колонка включается при минимальном давлении в 0,29 атм, мощность составляет 17 кВт, а вес устройства равен 10,4 кг. Модель характеризуется невысоким потреблением топлива. Так, Нева 4510 расходует 0,77 м³/час сжиженного газа, а природного − 1,95 м³/ч. Габариты устройства − 648×356×218 мм.
Колонка газовая Нева Люкс 5514
Нева Люкс 5514 является одной из лучших моделей бытовых газовых колонок, которая по основным техническим показателям не уступает известным брендам. К конструктивным особенностям агрегата следует отнести:
- наличие датчика тяги,
- надёжную камеру сгорания, оснащённую системой водяного охлаждения,
- автоматическое поддержание заданной температуры воды,
- интегрированный пьезоподжиг,
- гидравлическая система управления модуляцией интенсивности пламени,
- автоматический ограничитель уровня давления газа.
Мощность водонагревателя составляет 28 кВт, производительность − 14 л/мин, а весит устройство 12 кг. Этих показателей вполне достаточно, чтобы обеспечить бесперебойную работу агрегата для снабжения горячей водой одновременно двух заборных точек. Колонка включается автоматически в момент открытия водопроводного крана.

Водонагреватель имеет габариты: 650×350×299 мм. Изделие обладает стильным современным дизайном. На лицевой части экрана агрегата Neva Lux 5514 расположен поворотный регулятор, благодаря которому настраиваются рабочие параметры оборудования.

Наличие системы электроподжига обеспечивает экономный расход потребляемого газа, благодаря чему оплата коммунальных платежей обходится по достаточно низкой цене. Газовая колонка Нева Люкс 5514 характеризуется стабильной бесшумной работой, к тому же появление неисправностей агрегата наблюдается достаточно редко.
Колонка газовая Нева 4511
Если требуется мощный проточный водонагреватель, следует обратить внимание на модель Нева 4511. Она обладает привлекательным дизайном, качественной сборкой и высокой производительностью – за 1 мин работы агрегат успевает подогреть 11 л воды, показатель мощности равен 21 кВт

О том, как правильно подключить устройство к системе водоснабжения, газовой магистрали или баллону со сжиженным газом, можно прочесть в инструкции по эксплуатации. По отзывам пользователей, газовая колонка Нева 4511 отлично справляется одновременно с несколькими точками потребления.Вес колонки составляет 11 кг, размеры устройства – 565×290×221 мм. Модель оборудована автоматическим электронным поджигом и имеет водяное охлаждение камеры сгорания.
Видео: «Колонка Нева 411 не загорается – способ устранения неисправности»
Колонка газовая Нева 4513
Бытовая газовая колонка Нева 4513 оснащена автоматической системой электроподжига. Номинальная мощность модели равна 25 кВт, производительность агрегата составляет 13 л/мин. При весе в 15,8 кг габариты изделия − 665×390×237 мм. В колонке установлена камера сгорания с охлаждением водяного типа.

Нева 4513 проста в эксплуатации, обладает длительным сроком службы и высокой степенью безопасности. Мощности агрегата вполне достаточно для горячего водоснабжения одновременно нескольких потребителей.
Технические характеристики газовой колонки Нева 3208
Модель проточного газового водонагревателя Нева 3208 может функционировать при минимальном давлении в 0,15 атмосфер. При номинальной мощности оборудования в 23,2 кВт, его производительность составляет 6,5 л/мин. Монтаж колонки осуществляется в вертикальном положении, подвод магистралей – нижний.

Весит устройство 19,5 кг, а его габариты составляют 730×390×280 мм. Колонка оснащена системой электроподжига. Если колонка Нева не зажигается, скорее всего, поломка заключается в неисправности теплообменника. Она устраняется путём промывки трубопровода.
Колонка газовая Нева Транзит
Особенности эксплуатации колонки семейства Нева Транзит рассмотрим на примере модели ВПГ-ЕМ (также существуют ВПГ-Е И, ВПГ-Е, ЕМТ мощностью 12−24 кВт, производительностью 6−12 л/мин). Проточные агрегаты поддерживают заданную температуру нагрева жидкости в автоматическом режиме.

В колонке имеется устройство газовой модуляции: посредством изменения положения штока можно снизить объём расходуемого топлива и увеличить эффективность нагрева. Помимо этого, уменьшается количество отложений в трубопроводе теплообменника, за счёт чего существенно увеличивается эксплуатационный срок агрегата.























