Как делают основание для бетономешалки профессионалы?
Естественно, ручная бетономешалка своими руками должна иметь устойчивую основу. Это необходимо, чтобы конструкция не начала переворачиваться во время перемешивания. При небольшой загрузке остова из деревянного бруса будет вполне достаточно (сечение 10 на 10 или 15 на 15 см). Оптимальные варианты соединения: «в шип» или «в полдерева». Они необходимы, чтобы конструкция не получила повреждения от вибрации. Когда сборка закончена, все стыки проклеиваются и стягиваются саморезами.
Нужен более прочный, долговечный агрегат? Тогда вам точно подойдет рама из металлического уголка. Сварочный аппарат есть далеко не у всех, но вы можете выполнить фиксацию заклепками или болтами.
При необходимости, к основанию прикручиваются колеса. Такое устройство бетономешалки позволит вам не только переворачивать, но и перемещать ее.
Что касается двигателей, бетономешалка из бочки своими руками может быть оснащена мотором от скутера или автомобиля. Хорошим вариантом будет и бетономешалка из стиральной машины. Преимущество данного варианта в том, что он рассчитан на длительную работу и сможет прослужить несколько лет.
Как сделать бетономешалку своими руками видео
Ниже вы можете познакомиться с фото чертежей, позволяющих все сделать самому:
Самодельная бетономешалка чертежи
Чертеж самодельной бетономешалки
Чертеж самодельной бетономешалки из бочки
Важные характеристики агрегата
Сегодня существуют разнообразные варианты такой техники. Например, на предприятиях нужны огромные передвижные бетоносмесители. Дома такое оборудование не требуется. Для малых замесов есть специальные мини-бетономешалки. Они работают от электроэнергии, а барабан крепится к основанию на колесиках. Поэтому пользователю удобно перемещать агрегат по участку. Кроме того, удобна конструкция и тем, что емкость можно повернуть по горизонтальной оси, чтобы выгрузить бетон на тачку.

Для повышения кпд бетономешалки необходимо поставить мотор
Исходя из размеров оборудования, а также из объема смеси, которую оно готовит за один раз, делается выбор при покупке устройства. Потому что иногда необходимо, чтобы бетономешалка не только легко транспортировалась, но и размещалась в стесненных условиях.
Наконец, существует техника с дополнительными удобными функциями. Например, есть агрегаты, которые самостоятельно загружают сырье в барабан, а затем выгружают бетонную смесь. Такие устройства не требуют приложения физического труда, облегчая процесс строительства.
Простейшая бетономешалка
Из чего можно сделать самую простую бетономешалку? На ее изготовление уйдет не слишком много элементов, потребуется молочная фляга и куски труб. Необходимо всего лишь сварить раму, а после собрать всю конструкцию.
Выгибаем из трубы ручку. Делаем станину. На ней сверху привариваем 2 сантехнические муфты, внутренний диаметр которых должен быть немного больше диаметра ручки.


Пропускаем ручку, соединяем с боками фляги. Необходимо учитывать материалы ручки и фляги. Если ручка стальная, а бочка алюминиевая, то обычной сваркой совместить их не получится.

В таких случаях можно прибегнуть к помощи холодной сварки или варке пластин к ручке, которые потом соединяются со стенкой корпуса. После с двух сторон от муфты к ручке приваривают гайки. Это делается для фиксации ручки

Материалы и инструменты

Материалы и инструменты
Для работы потребуются такие материалы и инструменты:
- швеллер;
- болгарка;
- металлические карточные петли для дверки;
- металлическая бочка минимум на 200 л (емкость должна быть целой, не иметь следов ржавчины и пробоин);
- корпуса для подшипников;
- сварочный аппарат;
- металлические уголки (50*50 мм);
- фланцы;
- труба;
- крепежные элементы;
- арматура;
- электродвигатель (его мощность зависит от предполагаемого объема работ, обычно хватает мотора от обычной стиральной машины).
Для расчета материалов надо использовать составленный раннее чертеж, кроме того, надо сазе же определиться, где будет установлена бетономешалка и расположить площадку для работ именно там или в непосредственной близости. Делать это надо по т ой причине, что переносить тяжелую бочку с моторов будет не так просто, лучше сразу предусмотреть удобство и безопасность работы.
Как сделать бетономешалку из бочки своими руками: пошаговая инструкция

Необходимо тщательно подготовить все материалы
Пошаговая инструкция, как сделать бетономешалку своими руками из бочки, включает в себя такие шаги:
Бочку предварительно необходимо осмотреть, чтобы исключить наличие коррозии, пробоин и других дефектов. Затем в торцах емкости делаются отверстия, в которых будут закреплены фланцы для установки вала вращения.
Сбоку вырезается люк для закладки компонентов смеси, его размер может составлять 24*30 см, что является оптимальными габаритами. Крепится люк на карточных петлях, кроме того, необходима защелка н время работы мешалки
Через торцевые отверстия пропускается вал, на которых крепятся фланцы, что предотвратит разрыв стенок емкости во время работы оборудования.
Для изготовления гребенки используются металлические уголки с длиной 760 мм. Они ставятся внутри емкости при помощи штырей
Такая работы выполняется только с использованием сварки, в время которой необходимо соблюдать меры предосторожности, использовать специальную маску и перчатки.
Из швеллера, подкосов и уголков свариваются боковые стойки бочки, которые необходимо вкапывать в грунт. Если мешалка будет стационарной, то есть ее перемещение на время всех работ не планируется, то стойки лучше бетонировать, обеспечивая устойчивость и надежность
Глубина вкапывания стоек должна составлять 30 см, после этого грунт трамбуется.
Следующим шагом является установка бочки на валы, крепление рычагов для перемешивания смеси. Такие рычаги надо ставить даже в том случае, если далее планируется монтаж электрического или бензинового мотора. Это позволит замешивать смесь даже в случае непредвиденных ситуаций, например, подача электроэнергии будет прекращена по ряду причин.
Четыре принципа смешивания бетона
Самодельная бетономешалка
По факты, приготовить свой раствор можно и без специальных приспособлений. Работать «по старой методике» многим даже нравится. Но много ли успеваешь сделать таким способом? Создать сухую смесь для строительства, используя обычную дрель либо миксер, еще можно. Но когда дело доходит до песка с цементом, они оказываются бессильны.
Самый простой и распространенный принцип смешивания называется принудительным. Все компоненты замешиваются в емкости, которая является неподвижной. Для этого обычно используется механический привод. Рабочий барабан при этом может располагаться вертикально или горизонтально.
Чертеж бетономешалки горизонтальной
Несмотря на то, что даже малый бетоносмеситель принудительного действия может оказаться весьма эффективным, свои недостатки у него тоже имеются:
- Появляются «мертвые зоны» в емкости. Это особенно касается пространства возле стен.
- Сложность конструкции. Узлы вращения должны быть герметично защищены от воздействия раствора, которое может оказаться агрессивным.
- Практически невозможно приготовить в таком агрегате раствор, в состав которого входят средний и крупный наполнитель.
Большинство современных бетономешалок используют комбинированный принцип, сочетающий в себе первые два способа. Они обладают следующими преимуществами:
- Строгая герметизация не нужна. Барабан сверху открыт, необходимости в узлах вращения нет, поскольку любой контакт с раствором исключается.
- Детали изнашиваются гораздо реже.
- Простота и надежность эксплуатации.
- Ограничений на состав раствора тоже нет – это может быть щебенка, керамзит, гравий и так далее.
Четвертый принцип смешивания называется вибрационным. В последнее время некоторые умельцы занимаются перемешиванием раствора при помощи вибрации. Если говорить о масштабных объемах, результаты могут быть самыми ошеломительными. Обычно вибрационный принцип перемешивания используется, когда нужно изготовить точную железобетонную конструкцию с хорошими эксплуатационными характеристиками.
В обычных условиях редуктор и привод заменяет мощнейший перфоратор (допустимый минимум 1,3 кВт). Его вибрационное действие должно быть независимым. Прижимать патрон не нужно.
Редуктор бетономешалки фото
В целом, вибрационное замешивание позволяет создать практически идеальную бетонную смесь. Однако для приготовления «тяжелого» раствора он тоже не оптимален.
Принципы смешивания бетона
Всего существуют несколько вариантов замешивания строительного раствора в бетоносмесителе. А именно:
- Гравитационный способ.
- Принудительно-механический.
- Принудительно-вибрационный.
- Комбинированный гравитационно-механический.

Иногда мастера размешивают раствор дрелью с насадкой миксера в ведре. Этот вариант несколько лучше, но имеет свои очень серьезные недостатки. В первую очередь, дрель не рассчитана на продолжительную беспрерывную работу, со всеми вытекающими последствиями. Кроме того, технология такого вида замешивания требует постоянного вращения и перемещения инструмента в смеси. Это ненадежно, сложно и утомительно.
Гравитационное перемешивание
При гравитационном способе бадья с раствором расшатывается или переваливается, а раствор сам себя перемешивает. То есть, компоненты самостоятельно перемещаются в ёмкости под воздействием силы тяжести. Качество готовой продукции не очень хорошее и большого объема трудно достичь. Тем не менее многие мастера в бытовых условиях этот вариант смешивания применяют.
Достоинством этого вида смешивания является простота конструкции бетономешалки. Поэтому устройства такого типа часто создаются в гаражах, дачах и на мелких предприятиях.
Принудительно-механический
Принудительно-механический способ является самым простым и распространенным. Его отличительная черта — это неподвижно стоящая ёмкость. Компоненты чаще всего замешиваются механическим приводом в барабане. Барабан может иметь горизонтальное или вертикальное расположение. Суть этого способа наглядно раскрывается на примере использования дрели в ведре.
При ограниченных объемах этот способ может быть оправданным, но имеет свои особенности:
- Возле стен ёмкости в большинстве случаев проявляются необработанные зоны.
- Раствор может быть агрессивным, поэтому взаимодействующие со смесью узлы прибора должны быть герметично спрятаны. Это усложняет конструкцию и требует дополнительного внимания.
- Если наполнитель раствора средне- и крупнозернистый, то по данной методике сложно перемешать компоненты.
Комбинированный вид смешивания
Многие сделанные самодельные бетономешалки своими руками используют комбинированный способ. Он одновременно объединяет в себе предыдущие два способа и имеет ряд преимуществ:
- Нет необходимости в плотной герметизации узлов вращения, поскольку нет контакта с раствором. Барабан сверху не закрыт.
- Детали конструкций этого типа служат дольше, поскольку механизм надежен и прост.
- Состав компонента может быть любым, вплоть до гравия, щебенки, керамзита и так далее.
Вибрационный способ
В последнее время набирает популярность вибрационный способ приготовления бетона. Этот метод позволяет качественно перемешивать большие объемы смеси и его применяют в случаях, когда надо изготовить железобетонную деталь с отличными и точными эксплуатационными параметрами.
В принципе, вибрационное смешивание может практически идеально перемешать компоненты. Единственное ограничение — это приготовление «тяжелого» раствора. Для использования этого вида перемешивания, требуются значительные энергозатраты. Примерно на двадцать литров смеси нужна мощность вибратора в 1,3 киловатта. В бытовых условиях вместо привода и редуктора используют очень мощный перфоратор. Прижимать патрон нет необходимости, а вибрации должны быть независимыми.
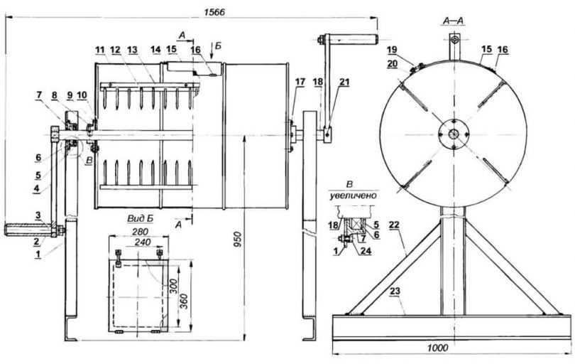
Принудительный замес: детали и узлы

Правильная конструкция бадьи самодельной бетономешалки
Описанная выше конструкция позволяет достаточно быстро и с приемлемым качеством залить фундамент под дачный домик или сарай. Если же вы затеваете строительство покапитальнее, вам потребуется принудительная бетономешалка. Они также доступны для самостоятельного изготовления, есть конструкции попроще и посложнее. Рассмотрим для начала отдельные узлы.
Бадья
Цилиндрическая бадья для механической или комбинированной мешалки – это, вообще говоря, нехорошо. Раствор в углах не перемешается как следует, или придется очень долго вращать, напрягаясь или расходуя электроэнергию. Исключение – бетономешалка с вращающейся горизонтальной бадьей и гребенчатыми миксерами, описанная ниже.
Бадью из бочки, самую доступную, следует хоть немного скруглить: надрезать сваркой и переварить в «яйцо» или «грушу», как показано на рисунке. Для небольших порций раствора отличная бадья получается из двух тазиков; оцинкованных или эмалированных – все равно. Если мешалка применяется от случая к случаю, пойдут и пластмассовые, скрепленные по ободу изогнутой корытцем металлической лентой, стянутой болтом. Днище одного из тазиков вырезается, и такая бадья может быть только наклоняемой: боковой выгруз устроить невозможно.
Горловину наклоняемой бадьи с верхним выгрузом необходимо в любом случае подкрепить поперечной планкой; лучше – двумя, вваренными накрест.
Привод
Зубчатый венец, используемый в мешалках заводского изготовления, дорог и самостоятельно его не сделаешь: нужно специальное оборудование. Для полноценной замены нужны следующие детали:
- Маховик от автомобильного двигателя, подойдет старый от любой легковушки.
- Шестерня-бендинг (которой стартер подключается к маховику) оттуда же.
- Ступица колеса от того же автомобиля.
Как выглядит такой привод в сборе, видно на рисунке справа. Ось, на которой вращается маховик и бадья вместе с ним, коренным концом входит в муфту с шарикоподшипником качения №208, находящуюся внутри ступицы.
Это один вариант; второй – приварить ступицу к маховику, а к ступице болтами прикрепить за днище бадью. В таком случае подшипниковая муфта крепится к маховику, и нужна вторая муфта на подкреплении горловины бадьи. На подшипник верхней муфты при наклоняемой бадье с верхним выгрузом все время будет попадать раствор, поэтому такое решение оправдано лишь при горизонтальной бадье с боковым выгрузом и глухими днищами.
Если найдется механический редуктор с нужным передаточным отношением, отлично – достаточно подсоединить его к оси. Для наклонной бадьи предпочтительнее прямой редуктор; для горизонтальной – угловой, но тут уж дело мастера боится, смотрите сами, как вам удобнее будет.
Скорость вращения бадьи – 30-50 об/мин. При большей скорости раствор начнет разбрызгиваться, а при меньшей плохо перемешается. Для обеспечения нужной скорости зубчатую передачу при необходимости дополняют ременной, как показано на том же рисунке.
Мощность двигателя берут из расчета 20 Вт/л для наклонной вращающейся бадьи, 15 Вт/л для горизонтальной вращающейся и 12 Вт/л для неподвижной бадьи и миксера, вращающегося на оси. Указанная мощность – минимальная; большая, разумеется, не повредит. Объем относится к объему раствора обычной вязкости, а не всему объему бадьи. То есть, если у вас есть движок на 1,2 кВт, то в бадью из 200 л бочки можно будет загружать всего 60 л раствора обычного, и 45 л сухого на стяжку. Поэтому при выборе посудины для бадьи за объемом гнаться не следует, нужно прежде определиться с мотором и идти от него.
Миксер
Конструкция миксера для самодельной мешалки особого значения не имеет. Его конструкция важна для промышленных мешалок большого объема. А вот расположение имеет значение.
В самодельных мешалках, особенно с бадьей из бочки, миксер лучше приваривать к оси: знакопеременные нагрузки на тонкостенный сосуд не пойдут на пользу его долговечности. Исключение – во всем, кроме сложности изготовления, отличный гребенчатый миксер.
Изготовление бетономешалки из бочки
Одним из важнейших элементов бетономешалки является бочка. Для работы с большими объемами необходима емкость около 200 л. Такую бочку можно найти в пункте сдачи металлолома или изготовить самостоятельно из листового металла. Если же подразумеваются работы меньшего масштаба, то подойдет закрытая емкость меньшей вместительности.
Схема электрической бетономешалки из бочки.
Необходимо проверить наличие плотно скрепленного дна у бочки и присутствие крышки. Если дно недостаточно прочное, можно укрепить его с помощью дополнительного металла, приварив его сварочным аппаратом. Герметичность бочки крайне важна в работе с бетоном, так как недостаточная герметичность может повлечь за собой садовый участок, залитый бетоном из дыр бочки.
Внутри бочки к дну и крышке привариваются лопатки (металлические валы) под углом в 30°. Они служат для последующего перемешивания раствора. Благодаря своему расположению раствор в углах будет равномерно размешиваться, в результате будет получен раствор хорошего качества. Лопатки должны быть прочно припаяны к стенкам бочки, так как им предстоит перемешивать составляющие бетона. А это дополнительная нагрузка, особенно если гравий достаточно крупный.
Крышка служит для засыпания составляющих раствора внутри бочки. Отверстие под будущую крышку вырезают в центре, чтобы после завершения работы раствор легко «перекочевал» в подставленную тару. Для того чтобы было удобно закрывать крышку, необходимо припаять дверные петли к бочке и вырезанному куску металла. Можно придумать несколько способов крепления крышки к бочке. Например, использовать защелки, задвижки или сдвигать крышку в сторону.
Схема устройства рамы бетономешалки.
Второй главной составляющей самодельной бетономешалки является прочность основания. Оно должно быть достаточно крепким, чтобы выдержать вес бетономешалки и раствора в ней (например, установить «острия» прутьев в ямки на земле). Такое основание можно сделать из металлических прутьев, сварив их в форме буквы «А», а после соединив их между собой. Созданное таким образом крепление должно достаточно прочно стоять на поверхности, не рискуя перевернуться от веса конструкции.
Для того чтобы перемешивать раствор, необходима ручка, которая припаивается к бочке, например, в виде кочерги. Для этого используется оставшийся металлический прут или арматура.
Аналогами этого могут быть мотор от советской стиральной машины, бензиновой моноблок, мотоблок мощностью не менее 1,3 кВт. Однако подобное сооружение требует большой аккуратности в использовании.
Самодельные бетономешалки достаточно мобильны в плане высоты. Достаточно, чтобы под нее свободно входила тара необходимого размера (бадья, корыто, таз).
Принципы работы бетономешалок различных видов
Самодельная бетономешалка своими руками может быть изготовлена с учетом применения следующих принципов работы устройства:
- Принудительный принцип – бетономешалка принудительного действия своими руками изготавливается гораздо чаще, поскольку ее можно выполнить из подручных средств. Принцип устройства заключается в обязательном использовании неподвижной емкости и вала с лопастями – вал подключен к механизму, осуществляющему круговые движения.
- Принцип гравитационного смешивания – определяется как возможное смешивание частиц смеси бетона под действием собственного веса. Такой принцип используется в быту для того, чтобы смешать небольшое количество смеси для бетонирования дорожек. Представляется в виде бочки горизонтально расположенной с ручками, с помощью которых устройство вручную приводят в действие.

Часто используется при замесе больших объемов
- Комбинированный принцип – такие бетономешалки своими руками совмещают гравитационный и принудительный тип устройства. Сама конструкция представляет собой большую емкость, в которой крепко закреплены лопасти. Помимо прочего, к емкости прикрепляется механизм для осуществления поворота вручную.
- Принцип вибрационного смешивания – используется в промышленных масштабах. В домашнем же применении подобная бетономешалка представляется в виде емкости, смеси и простого перфоратора. Представленным образом можно замесить небольшое количество смеси отличного качества.

Вибрационное замешивание
В этом случае бадья с компонентами будущего раствора остается неподвижной, а миксер в ней создает периодическое сжатие — волны, которые отлично перемешивают и уплотняют составляющие смеси. Единственный минус метода — серьезные энергозатраты. Зато качество готового бетона отличное, без претензий. Поэтому именно такое замешивание применяют на самых серьезных и ответственных стройках. А чтобы сэкономить на электроэнергии, предварительно замешанный раствор до готовности доводят вибраторами уже в опалубках. Кстати, небольшую вибрационную бетономешалку для малого строительства можно изготовить своими руками.
Использование бетономешалки
Бетономешалку редко используют в одном месте. Зачастую приходится таскать ее или перекатывать по всему участку, поэтому заранее подготовьте удлинитель достаточной длины. Загружаются компоненты в бадью с наклоном 20-40 градусов в следующем порядке: вода, цемент, песок и в последнюю очередь засыпается щебень, гравий, керамзит.
Для полного смешения бетонного раствора или смесы из арболита достаточно от 3 до 5 минут, затем бадья с помощью ручки наклоняется, и раствор выливается в подготовленное для этого место. Сразу же можно засыпать новую порцию компонентов и продолжить работу.
После трудового дня устройство, все его соединения и швы нужно тщательно промыть. Обычно это происходит уже под вечер, когда сил осталось не так много и хочется оставить все, ведь на следующий день ее опять придется пачкать. Не ленитесь. Даже в такой ситуации лучше бетоносмеситель промыть, это увеличит срок его службы.
Бетономешалка своими руками: чертежи и конструктивные особенности при постройке + 71 фото
Если у вас собственный дом или дача, значит вы часто сталкиваетесь с необходимостью проведения строительных работ тех или иных масштабов.

Никакое строительство не сможет обойтись без бетона – будь то беседка, ограда, терраса или дорожка.

Если вы запланировали несколько крупных построек, то можно оформить заказ на готовый заводской бетон – его доставят прямо на ваш участок. Бригада строителей обычно так и делает.







Но этот вариант имеет следующие минусы:
- высокая цена бетонной смеси;
- вам придется приобрести бетон объема бетономешалки, т.е. несколько кубов. Не каждая стройка требует такого количества бетона;
- плотная жилая застройка может не позволить проехать тяжелой технике.

Есть еще вариант – брать бетономешалку на прокат, но при частом использовании это выйдет дороже, чем приобрести ее в собственность.

Вследствие всего вышеперечисленного иметь собственную бетономешалку – лучший выход. Изготовить такой необходимый агрегат собственноручно вполне осуществимо.







Бетономешалка, сделанная своими руками имеет следующие плюсы:
- Она будет иметь нужную вам форму;
- Такой агрегат имеет низкую себестоимость, так как может быть сделан из материала, находящегося под руками;
- Самодельную бетономешалку легко обслуживать и ремонтировать;
- Ей можно гордиться перед соседями и знакомыми.

Перед изготовлением бетономешалки лучше на собственном опыте опробовать покупной вариант — предложите свою помощь соседям, имеющим промышленный экземпляр, или разово воспользуйтесь прокатом. Это поможет понять принцип ее действия и выбрать подходящие параметры.

Большой размер не означает лучший вариант. Такие агрегаты очень энергозатратны. Как маленькая емкость, так и крупная лимитирует количество бетона, получаемого за 1 цикл. Вследствие этого к выбору параметров бака следует подходить очень ответственно.







Чтобы сделать бетономешалку своими руками, вам потребуется крепкая ёмкость в форме цилиндра, прочная рамная конструкция, механизм переворачивания, чтобы выгружать готовый бетон, и редукторный двигатель.








Вам потребуется:
- металлическая бочка, емкостью 100 – 200 л;
- стальной уголок или профиль для станины;
- два б/у подшипника;
- отрезок металлической трубы для оси и ручки.

Из инструментов понадобится болгарка и сварочный аппарат.
- Прорезаем в бочке отверстие в виде прямоугольника, образуя щель по стыку. Привариваем на внутренней поверхности порожек из уголка и прокладываем его резиной с целью герметизации.
- Крышка будет распахиваться наружу, поэтому необходимо установить прочные петли и надежный запор. Имеющуюся заливную дырку можно не заваривать, штатная крышка достаточно надежная.
- Внутри привариваем несколько лопастей из листовой стали толщиной 2-3 мм для перемешивания.
- В центре боковых частей привариваем подшипники, прикручиваем ступицы или просовываем стальную ось.
- Закрепляем бочку на станине, привариваем с одного конца ручку, наподобие колодезной. Бетономешалка готова!





Суть такой бетономешалки в стационарном баке и активных перемешивающих лопатках.

У подобного агрегата есть как плюсы, так и минусы.



Бак изготовлен из 200 л бочки, на которую наварены стенки. Верхняя часть забрана решёткой. Для основания используется профилированная труба. Бак крепится жёстко. Исходные компоненты раствора загружаются сверху, слив готового бетона происходит благодаря затвору с резиновой прокладкой.

Смесительный вал делается из автомобильного коленчатого аналога, лопатки – из уголков и приваренных к ним стальных листов, толщиной 3 мм. В точке выхода вала к редуктору располагается сальник.

Двигатель используется от подъёмного крана. Его мощность 5,5 кВт. Редуктор оттуда же. Мотор имеет 3 фазы и способность менять направление вращения.

Под работающую бетономешалку подставляется поддон, собирающий вытекающую в начале воду. Ее выливают назад в бетономешалку.




































































