Рулонные ворота
Работают по принципу всем известных роллет – удобно, красиво, функционально. На сегодняшний день роллетные подъемные ворота для гаража весьма популярны и на строительном рынке представлены многими известными производителями. Их стоимость очень разнится, в зависимости от вида профиля, размеров, наличия утеплителя, даже оттенка роллет.

Состав рулонных подъемных ворот

1. Алюминиевая створка ворот. Она состоит из набора роллетных профилей – их конфигурация может быть различной и всегда устанавливается по выбору покупателя. Если ворота выходят на дорогу или находятся на границе участка, то следует предпочесть экструдированный профиль, жесткость которого выше всего.Такая створка будет отличной защитой не только от атмосферных явлений, но и от непрошенных гостей или механических повреждений.
Если есть необходимость в теплых воротах, а это важно, если гараж отапливаемый, то створка выполняется из пенозаполненного профиля. Кроме того, у роллетных ворот есть особенность: они прекрасно выполняют воздухообмен без потерь тепла, для этого в полотно встраиваются специальные вентиляционные блоки
2. Система направляющих. Эта конструкция может быть разной, в зависимости от каждого конкретного строения: усиленная, стандартная, двойная или угловая.
3. Защитный короб. Разновидностей коробов очень много, они могут быть экструдированные, роллформинговые, окрашенные в различные оттенки и с нанесением определенных текстур. Все виды защитных коробов снабжены боковыми крышками.
4. Механизм управления. Если гаражный проем небольшой, и, соответственно, створка ворот маленькая, то возможна система ручного подъема и опускания ворот. При наличии большой створки, рациональнее использовать автоматику.
Способы установки
Подъемные рулонные ворота для гаража весьма популярны среди покупателей благодаря своей универсальности. Установить их проще любых других моделей. Мало того: такие ворота подойдут практически под любой гаражный проем и нет необходимости переделывать въезд или заказывать индивидуальный размер ворот!

Способов установки есть несколько:
1) Накладные ворота. В этом случае, защитный короб располагается над дверным проемом, а направляющие с двух сторон. Это классический метод, для него не нужны никакие подготовительные работы, поэтому, при наличие необходимого пространства для установки, этот способ наиболее популярен.

2) Встроенные ворота. Защитный короб располагается внутри проема снаружи или внутри помещения.

3) Безкоробные ворота. Устанавливаются без защитного короба. Конечно, такая модель будет актуальна только в закрытом помещении, когда ворота не выходят на улицу, а, допустим, гараж находится под крытым навесом.

Следует также отметить, что рулонные подъемные ворота для гаража – это не только надежно и практично, но и красиво и элегантно внешне. Сами ворота и защитный короб могут иметь различные цветовые решения и фактуры. Как правило, роллеты представлены в 14 базовых оттенках, а в зависимости от изготовителя, палитра может быть значительно расширена.
Некоторые производители предлагают дизайн профилей «под дерево» и другие текстуры. Ворота можно подобрать под любой стиль здания. Оцинкованные части ворот также могут быть как в металле, так и с цветным покрытием.
Установка
Первоначальным этапом монтирования воротной установки считается проектирование будущей конструкции. Нужно снять размеры с проема и составить эскиз либо взять уже подготовленный чертеж с расчетами и схемами.
Далее необходимо приобрести стройматериалы и найти инструменты, чтобы приступить непосредственно к изготовке воротной конструкции:
- Собирают коробку из отдельных брусков, скрепляемых меж собой железными пластинками либо уголками.
- Коробка фиксируется непосредственно в самом проеме, закрепляется штырями, низ коробки приблизительно на 2-3 см заглубляют в пол.
- Собирают полотно створки. Рама покрывается щитом, а после закрывается листами металла.
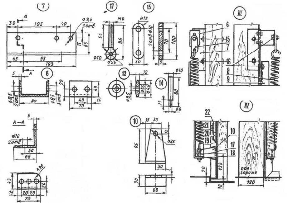
- Опору механического устройства изготавливают из уголка. Два отверстия диаметром – 1 см просверливают в полке. Такие отверстия нужны при фиксировании механического приспособления к опорным стойкам. В следующей полке сверлят 3 отверстия, они нужны при установке пружинного кронштейна. Закрепленный к полке кронштейн послужит опорой пружинам.


- Установленный кронштейн вместе с пружинкой соединяют регулировочной пластинкой, такую пластину производят из металлической полосы. Крайние веточки пружинки применяют как зацеп, внизу присоединяют регулятор натяжения. Кольцо получится с одного края, с другого нужно нарезать резьбу.
- Шарнирный узел внизу изготавливают из уголка, в котором должно быть 0,85-сантиметровое отверстие. Приваривается уголок к раме на расстоянии меж ребром и центром отверстия. Такой тип отверстия понадобиться для сборки рычага подъемного механического устройства.
- Пластину, в которой есть нужное отверстие для сборки регулятора натяжения, приваривают к торцевой части рычага.
- Для передвижения щита нужно изготовить рельсы. Края двух составленных уголков приваривают так, чтоб пространство внутри меж пиками вершин составило 5 см.
- Край этой рельсы приваривают к железной пластинке с высверленными отверстиями. Промежуток в 8 см оставляют между осевой линией и самой нижней частью поперечны. Куски швеллера приваривают по краям рельсов на 15-сантиметровом расстоянии. Болтом швеллер крепят к брусу на потолке.

Есть несколько рекомендаций, которых стоит придерживаться при обустройстве подъемно-поворотных конструкций:
- рекомендовано применять сварку для качественной надежной сборки деталей. Так можно понизить надобность в крепежах, высверливании лишних отверстий;
- высота гаражных ворот не может быть менее 2,2 м;
- барабан лучше расположить сзади при достаточно низком подъеме;
- у нижнего профиля гаражного полотна должно быть наличие паза, куда устанавливают уплотнитель;
- основным параметром считается масса полотна, приемлемый вес составит 100 кг;
- реверсную самоблокирующуюся лебедку можно устанавливать как привод;
- для установки автоматики лучше использовать автомобильную сигнализацию.

О том, как сделать подъёмно-поворотные ворота своими руками, смотрите в следующем видео.
Подъемные гаражные ворота — своими силами
Если вы хотите полной свободы в дизайне ворот, удобстве открывания и определении функциональности, то самый доступный по финансам способ, это изготовить и поставить в проем гаража самодельные ворота. Но сначала нужно решить, какой использовать механизм открывания:

Шарнирно-рычажковый механизм весьма популярен. Это надежная и простая конструкция, которая гарантирует простое движение створки и защищена от блокировки щита. Однако такой механизм нуждается в точности при монтаже направляющих профилей и тщательной настройки натяжения пружин. Обязательно, чтобы не допустить заклинивание щита, нужно направляющие выставить строго в вертикальном положении и непременно обе параллельно.

Механизм на противовесах, это конструкция, в которой трос прикреплен к углам рамы внизу, пропущен через блок и идет к шкиву лебедки, а на конце расположен противовес. Чем больше вес щита ворот, тем больше должна быть и масса противовеса. При такой конструкции рама и каркас ворот подвергаются большой нагрузке. Обычно этот механизм используют в случае тяжелых, массивных ворот.
Далее, нужно спроектировать будущие ворота, снять размеры с проема и сделать эскиз (или подобрать что-то из готовых чертежей). Когда проект и чертежи готовы, надо купить материалы и приготовить инструмент. Вам понадобятся:
- Бруски деревянные, для коробки – сечением 12 на 8 см и потолочные — 10 на 10 см;
- Штыри металлические;
- Уголок на рельсы, сечением 40 х 40 х 4 мм и для рамы —3.5х3.5х0.4 см;
- Кронштейн швеллерный 8 х 4.3 х 0.5 сантиметров;
- Пружина, 3 см диаметром;
- Металлический прут 8 мм диаметром (нужен для регулятора напряжения).
- Теперь можно заняться изготовлением гаражных ворот:
Из двух вертикальных и одного поперечного брусков собираем коробку, бруски соединяем стальными пластинами или угольниками. Низ коробки нужно заглубить на два сантиметра в стяжку пола.
Крепим коробку в проеме с помощью стальных штырей.
Собираем раму полотна ворот и обшиваем щитом, снаружи покрываем листовым железом;
Из уголка делаем для механизма опору, в одной из полок сверлим одно отверстие под крепление к стойкам, а в другой полке 3 отверстия для крепления пружинного кронштейна. Опору для пружины лучше делать из швеллерного кронштейна. Чтобы его закрепить, нужно просверлить 3 отверстия в одной из полок.

Из железной полоски делаем регулировочную пластину, с помощью которой соединяем пружину и кронштейн. У пружины, крайние витки нужно выгнуть в виде зацепов, внизу присоединить регулятор напряжения, сделанный из прутка.
Шарнирный угол для низа делаем из уголка, сверлим 8.5-миллиметровое отверстие и привариваем к раме так, чтобы отступить от нижнего ребра до середины отверстия. Это нужно, чтобы смонтировать рычаг механизма подъема на 12-сантиметровом шарнире. Далее нужно к торцу рычага сваркой прикрепить пластину под регулятор напряжения.
Из двух уголков делаем рельсы для перемещения ворот. Для этого два уголка составляем и свариваем по одному краю, контролируя расстояние внутри между вершинами уголков, оно должно быть 5 сантиметров.

Теперь рельсу следует приварить к пластине с отверстиями, между нижним ребром поперечины и осью направляющего надо оставить 8 см промежутка. К другому концу рельсы приварите кусок швеллера, с отступом 12 – 15 сантиметров. Далее швеллер нужно прикрепить болтом к потолочному бруску.
Для увеличения количества света в гараже, можно установить в полотне вставки из полупрозрачного материала. Также будет полезно наклеить резиновую окантовку и компенсирующие накладки, которые вместе, дополнительно придадут конструкции устойчивость, а также снабдить воротный упор защитой от коррозии или окисления.
Советы при самостоятельном производстве
Самодельные подъемные ворота для гаража могут стать гордостью любого мужчины. Но при их производстве нужно знать, как сделать так, чтобы ворота прослужили долго и надежно.
Подъемные ворота состоят из четырех частей:
- Каркас;
- Проем;
- Полотно;
- Подъемный механизм.
При изготовлении полотна для ворот подъемных своими руками желательно использовать либо сендвич-панели, либо дощатый щит, покрытый листом металла. Сделанный из дерева щит будет иметь очень большой вес и плохую устойчивость к климатическим условиям. Утеплять полотно лучше всего базальтовой ватой или пенополистиролом. Из эстетических соображений снаружи дверной щит можно обшить профнастилом или пластиковыми панелями.
Каркас конструкции выполняется согласно с размерами проема. Для изготовления рамы можно использовать, как деревянные, так и металлические балки.
Каркас подъемных ворот
Что касается подъемного механизма, то его можно сделать либо автоматическим, либо механическим.
Механизм открытия дверей может быть выполнен по одной из двух существующих схем:
- Шарнирно-рычажная;
- С использованием противовесов.
Шарнирно-рычажный механизм основывается на движении двух рычагов в специальных направляющих на шарнирах. Такой механизм считается очень надежным. Основным условием его надежности является точность при установке направляющих (вертикально и параллельно друг другу) и настройке пружин.
Механизм на противовесах устроен таким образом, что противовесы подвешиваются на тросах, пропущенных через систему блоков, и регулируют процесс поднятия и опускания дверного щита. Противовесный механизм используется реже, так как при его применении идет очень большая нагрузка на раму и каркас ворот.
Если в полотне планируется вырезать калитку, то она обязательно должна распахиваться наружу во избежание непроизвольного ее открывания в процессе подъема.
Необходимые для строительства материалы и инструменты
В ходе производства подъемных гаражных ворот могут пригодиться следующие инструменты:
- Рулетка;
- Строительный уровень;
- Уголок;
- Сварочный аппарат;
- Болгарка;
- Отвертки и гаечные ключи разных размеров;
- Дрель;
- Шуруповерт;
- Электролобзик.
Из материалов может понадобиться следующее:
- Деревянный брус сечения 12х8 и 10х10 (возможность использования прочного стального профиля);
- Уголки 40х40х4;
- Швеллер 40х80;
- Стальной прут 8мм;
- Две пружины с диаметром 30мм;
- Саморезы;
- Анкерные болты.
При изготовлении ставней с подъемным механизмом необходимо будет составить чертежи или позаимствовать их в других источниках.
Чертеж подъемно-поворотных ворот
Алгоритм действий
- Собираем коробку. Соединяем два вертикальных бруса и один поперечный с помощью пластин или угольника.
- Заглубляем нижнюю часть коробки на глубину в 20мм.
- Собираем раму полотна и обшиваем ее необходимым материалом. В верхней части полотна размещаем ролики, по всему периметру полотна располагаем уплотнитель.
- Собираем раму для направляющих. На расстоянии длины полотна от горизонтального бруса коробки строго параллельно ему устанавливаем балку, к которой крепим с обеих сторон направляющие рейки. Вторые концы реек крепим к верхней части вертикальных брусьев коробки. Направляющие рейки монтируем из двух металлических уголков.
- На обоих вертикальных брусьях коробки при помощи уголков и крепежа делаем подвижные кронштейны, к которым крепим рычаги их швеллеров.
- В нижней части вертикальных брусьев коробки фиксируем пружины. Верхние части пружин прикрепляем к кронштейну и швеллеру. Фиксацию пружины со швеллером и кронштейном можно подкрепить регулятором натяжения.
- Устанавливаем ролики на полотне в направляющие.
- Фиксируем полотно в коробке.
- Вырезаем калитку.
- Устанавливаем замок.
Подводя итоги, можно сказать, что сделать подъемные гаражные ворота своими руками не так уж и сложно. Самым простым способом утепления гаражных ворот будет использование штор.
Монтаж
Механизм, заставляющий работать створки, лучше всего изготавливать из материалов с легким весом, что сделает нагрузку на изделие более низкой, тем самым продлив его продолжительное использование. Далее выбирается механизм, который применяется для открытия створки. Шарнирно-рычажный является самым распространенным из-за своей простоты, а также надежности. Можно также выбрать механизм на противовесах. Его используют при возведении габаритных тяжелых ворот.

К следующим этапам монтажа относятся:
- Сборка коробки из трех брусьев, скрепленных между собой уголками или металлическими пластинами. Брусья углубляют в пол не менее чем на 2 см.
- Устанавливаются шарниры. Вверху под крышей устанавливают верхний кронштейн.
- Изготавливают створки, обрезая металлические уголки до необходимой длины. Из них при помощи сварочного аппарата делают раму, в которую монтируются элементы створки и все закрепляют шурупами.

- Установка рельсов – части изделия, внутрь которой заводят шарнирные ролики. Они должны легко и нормально перемещаться.
- Для закрепления подъемного механизма предварительно монтируют створки.
- Крепление шарнирного механизма к створке. Для этого наживляются шарниры. Рычаги должны передвигаться свободно и располагаться параллельно друг другу.
- Соединение противовесов и пружин, устанавливаемых на направляющем кронштейне. Пружины необходимо крепить слева и справа от створки параллельно.
- Устанавливаются накладки на торцах изделия.
- Штукатурят стыки.
- Монтируют замок. Управлять процессом открытия ворот можно и с помощью пульта.


При установке изделия необходимо:
- измерить и изготовить раму;
- измерить диагональ всего проема;
- элементы каркаса полотна нужно прихватить с помощью сварочного аппарата, чтобы створка легко проходила, а зазоры были минимальными;
- сварить аппаратом перемычки и все рамы;
- поставить перемычки;




- зачистить швы от сварки;
- с одной стороны наварить металлический лист;
- пройтись грунтовкой, обезжирить, нанести краску на поверхность створки;
- отрегулировать пружины и подъемники;
- установить фурнитуру;
- прикрепить ручки снизу с обеих сторон;
- с внутренней стороны изделия разместить щеколды;
- ворота готовы.

Подготовка к изготовлению ворот своими руками
Предварительный этап включает в себя выбор конструкции, разработку собственной схемы или изучение имеющейся документации и выбор готового чертежа. Это позволит определить потребность в материалах, а также подготовить необходимое оборудование и инструменты.
Выбор проектного решения и разработка чертежа по имеющимся размерам
Определяясь с конструктивным исполнением подъёмного ограждения, используйте проверенное техническое решение — рычажный механизм с шарнирным креплением.
Можно самостоятельно разработать эскиз будущей конструкции.

Типовой эскиз поможет выполнить привязку конструкции к размерам вашего гаража
Если навыки проектирования отсутствуют, целесообразно использовать готовую документацию.

По готовому чертежу вам будет проще изготовить необходимые детали ворот
Изучив документацию, следует проставить на ней фактические размеры гаража. Это позволит определить потребность в материалах.
Советы по выбору материалов
При выборе материалов обратите внимание на их прочность и пожаробезопасность. Базовый комплект, позволяющий самостоятельно изготовить подъёмныую конструкцию с рычажным механизмом, включает:
Базовый комплект, позволяющий самостоятельно изготовить подъёмныую конструкцию с рычажным механизмом, включает:
- металлическую трубу прямоугольного сечения размером 6х12 см с толщиной стенки 3–4 мм, необходимую для изготовления рамы;
-
деревянные брусья сечением 8х12 см, из которых можно сделать коробку, если у вас нет стальной прямоугольной трубы;
- металлические штыри и кронштейны, необходимые для крепления рамы ворот к проёму;
- комплект стальных швеллеров №8 или 10, а также уголков 4х4 см, используемых для складных шарнирных элементов и направляющих планок;
-
стальную трубу квадратного сечения со стороной 4 см для сборки каркаса ворот;
- компенсационные пружины из проволоки диаметром 3 см для приводного механизма;
- резиновый уплотнитель, позволяющий компенсировать зазоры по периметру конструкции;
- стальные листы толщиной 3 мм, дощатые щиты или сэндвич-панели, необходимые для зашивки полотна ворот;
-
комплект оборудования для сборки электрического привода, если запланировано оснащение автоматикой;
- пластиковые панели или декоративные отделочные материалы, позволяющие выполнить облицовку с внешней стороны;
- утеплитель — минеральную вату, пенопласт или пенополистирол.
Все материалы следует предварительно разрезать на заготовки, соответствующие требованиям проектной документации.
Необходимые инструменты
В процессе работы понадобятся следующие инструменты и электрическое оборудование:
- рулетка длиной 5 метров, строительный уровень;
- комплект гаечных ключей и набор различных отвёрток;
- электрическая дрель в комплекте со свёрлами;
- болгарка с отрезным кругом диаметром 180 мм;
- аппарат для электрической сварки.
Стандартный комплект электрического оборудования и слесарных инструментов позволит самостоятельно осуществить изготовление подъёмных ворот.
Процесс установки подъемных ворот
Подъемные ворота начинают монтироваться с установки поворотного рычага. Лучше всего использовать стандартный поворотно-шарнирный механизм с обязательной регулировкой длины крепления рычага.
Монтаж подъемных ворот.
Целесообразно подыскать регулировку по принципу домкрата. Если рычаг изготавливается самодельным, то необходимо предусмотреть крепежную пластину с пазами, позволяющими изменять длину крепления рычага до 10 см.
После установки поворотного механизма и предварительного закрепления рычага фиксируется компенсационная пружина с помощью кронштейнов, выполненных из швеллеров. Затем створка поднимается вертикально и своими роликами вводится в профиль рельсов на потолке гаража.
Устанавливаются стопоры (любой доступной конструкции), исключающие выскальзывание роликов из зацепления с рельсами. Створка поднимается максимально вверх и производится окончательная фиксация рычагов поворотного механизма и завершающая регулировка компенсационной пружины. На полотно створки с внешней стороны внизу закрепляется ручка удобной конструкции.
Принцип их изготовления аналогичен, но все соединения производятся с помощью сварки.
Подъемно – поворотные ворота
Этот вариант, пожалуй, самый простой из всех подъемных ворот для гаража. Их конструкция состоит из рамы, самого цельного полотна и направляющих, которые обеспечивают ему вращение вокруг своей оси. Рама является основой для конструкции, как правило, она сваривается из металлических труб квадратного сечения и монтируется в дверной проем гаража.
Работает такая система просто: с помощью рычагов, приводится в движение шарнирный механизм с пружинами, благодаря которому и происходит движение створки по направляющим, с последующей фиксацией в верхней точке. Нижняя часть ворот при этом, находится под потолком в виде своеобразного козырька.
Здесь возможно устройство подъемного механизма в двух вариантах:
- С помощью пружин,
- С использованием противовесов.
Первый вариант с помощью пружин в исполнении проще, а в работе – надежнее, на практике именно его применяют для подъемно – поворотных ворот чаще всего. При наличии пружин и шарниров, которые приводятся в движение рычагами, исключается случайная блокировка механизма.

Для идеальной работы системы необходимы только два фактора: правильно отрегулировать компенсационные пружины, и точно смонтировать каркас направляющих – он должен быть изготовлен строго по уровню.
Второй вариант предусматривает наличие противовеса (или нескольких), который крепится при помощи блоков, через специальный трос к низу рамы конструкции. Противовес более удобен, если ворота слишком тяжелые.

Естественно, при желании и наличии соответствующего бюджета, можно оборудовать поворотно – подъемную систему гаражных ворот электронной автоматикой, которая будет работать вместо человека. Открывать и закрывать такие ворота можно будет просто нажав на кнопочку пульта.
Достоинства подъемно – поворотных гаражных ворот:
- Так как в них используется цельная створка, иногда весьма приличного веса, то в первую очередь, такие ворота наиболее надежные в плане возможности взлома. Из всех моделей подъемных гаражных ворот, именно подъемно – поворотные сложнее всего поддаются несанкционированному проникновению.
- При открывании, такие ворота довольно – таки компактны, что позволяет устанавливать их практически при любой площади помещения.
- Подъемно – поворотные ворота можно после монтажа утеплить, обшить панелями или задекорировать, придав эффектный внешний вид.
- Возможно оснащение автоматической системой открывания.
К недостаткам таких ворот можно отнести:
- Они могут быть установлены только в прямоугольных проемах, причем требования к точности постройки довольно высоки.
- В открытом виде подъемно – поворотные ворота «крадут» у дверного проема около двадцати сантиметров высоты. Для низких проемов это будет критично.
- Цельное полотно ворот, которое является достоинством, в то же время может показать себя и как недостаток. Например, при частичном повреждении, его невозможно каким-то образом отреставрировать, а необходимо только полностью заменить.
- После установки ворот, между самим полотном и проемом остаются щели, которые необходимо минимизировать при помощи резинового уплотнителя – при условии, что гараж является неотапливаемым.
На что обратить внимание при выборе подъемно-поворотных ворот
Выбирая подъемно – поворотные гаражные ворота, важно обратить внимание на качество их исполнения и материалов, из которых они сделаны. Естественно, хорошие ворота обойдутся в круглую сумму, но это не тот объект, на котором можно было бы сэкономить
Во-первых, бюджетные модели, как правило, изготовлены из тонкого металла – от 1 мм, что явно не в пользу покупателя.
А во-вторых, приводка деталей и характеристики комплектующих будут не самые лучшие для длительной эксплуатации. Конечно же, наличие автоматической системы открывания существенно удорожает изделие – вот здесь, если есть такая необходимость, в принципе, можно сэкономить, хотя комфорт в использовании от автоматики существенный.
Обязательно обратите внимание на материал, из которого изготовлена створка ворот. Лучше всего будет выбрать более-менее толстый металл или сендвич – панели, которые идут уже с утеплителем и не нуждаются в дополнительной термоизоляции
Обычно, ворота до 20 мм толщиной идут как холодный вариант, а свыше – с утеплителем.
Установка подъемных ворот своими руками
Сейчас в основном материалы для подъемных ворот покупаются комплектом, так как собрать конструкцию своими руками без определенных профессиональных навыков практически не представляется возможным.
Такие ворота должны быть собраны с идеальной точностью, для предотвращения в дальнейшем проблем с открыванием и закрыванием такой конструкции.
Точность заключается в исполнении деталей, которые изготавливаются на специальном оборудовании на заводах, под контролем высококлассных специалистов.
Перед приобретением комплекта подъемных ворот необходимо очень качественно подготовить проем будущих ворот и произвести максимально точные замеры.
Далее можно следовать по инструкции по установки подъемных ворот, которая прилагается с каждым комплектом.
Если все делать точно по инструкции и не отходить от порядка, то процесс установки подъемных ворот не займет много времени и в конечном результате даст вам желаемый результат.
Для подробного изучения специфики установки подъемных ворот в интернете представлено большое количество видео-инструкций, например видео по установке подъемных ворот фирмы «Алютех: www.youtube.com/watch?v=2s7wJteGGMY
Конструкция поворотно-подъемных ворот
Как самодельные подъемные ворота наибольшее распространение находит поворотно-подъемная система.
Поворотно-подъемные ворота состоят из следующих основных элементов:
Рисунок 1. Устройство подъемно-поворотных ворот.
- дверная коробка;
- горизонтальные потолочные рельсы;
- створка;
- поворотный механизм;
- компенсационная система.
Дверная коробка выполняется из прочного деревянного или металлического бруса в виде двух вертикальных стоек и верхней перемычки (горизонтального брус) и устанавливается в проем гаража. На обеих вертикальных стойках крепится металлический профиль, который является направляющим для вертикального перемещения створки.
Горизонтальные потолочные рельсы имеют направляющий металлический профиль для перемещения створки в горизонтальном направлении. Они удерживают полотно на потолке гаража при открытии ворот.
Створка ворот изготавливается в виде цельного полотна (щита). В качестве материала могут быть использованы: металлический лист, сэндвич-панель, профилированный металлический лист, деревянный щит, облицованный металлом. Внутреннюю сторону полотна целесообразно покрыть теплоизолирующим слоем. В верхней части створки с обеих сторон закрепляются ролики для перемещения по потолочным рельсам.
На вертикальных стойках устанавливается поворотный механизм и компенсационные пружины. Пружины позволяют уменьшить усилие, которое требуется при подъеме ворот, за счет подтягивания полотна в направлении его горизонтального движения.
Варианты управления створкой
Подъёмные ворота можно открывать и закрывать тремя способами.
Дистанционный
Первый и самый популярный – с помощью пульта ДУ. Механизм управляющей системы оснащён специальным блоком, принимающим внешний сигнал. Как только он будет зарегистрирован, подаётся питание на двигатель, приводящий в движение механизм подъёма или опускания створки.
Зона действия приёмника сигнала распространяется на десятки метров от гаража. Управление выполняется с помощью специального прибора: брелка или пульта. Но несмотря на все очевидные удобства этого способа, он имеет один существенный недостаток. Дело в том, что сигнал передаётся на частоте радиоволн, поэтому может быть легко «считан» злоумышленниками. С целью минимизации угрозы перехвата радиоканала выполняют кодировку сигнала.
Механический
Механизм управления воротами может быть установлен на внешней стене гаража и оснащён всего двумя кнопками: открыть-закрыть. Это неудобный способ, так как требуется выходить из салона. Но рекомендуется не пренебрегать установкой такого блока, так как пульты дистанционного управления имеют свойство теряться.
С мобильного телефона
На гаджет устанавливают специальную программу, и сигнал для начала движения ворот передаётся по системе спутниковой связи.
Установка
Первоначальным этапом монтирования воротной установки считается проектирование будущей конструкции. Нужно снять размеры с проема и составить эскиз либо взять уже подготовленный чертеж с расчетами и схемами.
Далее необходимо приобрести стройматериалы и найти инструменты, чтобы приступить непосредственно к изготовке воротной конструкции:
- Собирают коробку из отдельных брусков, скрепляемых меж собой железными пластинками либо уголками.
- Коробка фиксируется непосредственно в самом проеме, закрепляется штырями, низ коробки приблизительно на 2-3 см заглубляют в пол.
- Собирают полотно створки. Рама покрывается щитом, а после закрывается листами металла.
- Опору механического устройства изготавливают из уголка. Два отверстия диаметром – 1 см просверливают в полке. Такие отверстия нужны при фиксировании механического приспособления к опорным стойкам. В следующей полке сверлят 3 отверстия, они нужны при установке пружинного кронштейна. Закрепленный к полке кронштейн послужит опорой пружинам.
- Установленный кронштейн вместе с пружинкой соединяют регулировочной пластинкой, такую пластину производят из металлической полосы. Крайние веточки пружинки применяют как зацеп, внизу присоединяют регулятор натяжения. Кольцо получится с одного края, с другого нужно нарезать резьбу.
- Шарнирный узел внизу изготавливают из уголка, в котором должно быть 0,85-сантиметровое отверстие. Приваривается уголок к раме на расстоянии меж ребром и центром отверстия. Такой тип отверстия понадобиться для сборки рычага подъемного механического устройства.
- Пластину, в которой есть нужное отверстие для сборки регулятора натяжения, приваривают к торцевой части рычага.
- Для передвижения щита нужно изготовить рельсы. Края двух составленных уголков приваривают так, чтоб пространство внутри меж пиками вершин составило 5 см.
- Край этой рельсы приваривают к железной пластинке с высверленными отверстиями. Промежуток в 8 см оставляют между осевой линией и самой нижней частью поперечны. Куски швеллера приваривают по краям рельсов на 15-сантиметровом расстоянии. Болтом швеллер крепят к брусу на потолке.
Есть несколько рекомендаций, которых стоит придерживаться при обустройстве подъемно-поворотных конструкций:
- рекомендовано применять сварку для качественной надежной сборки деталей. Так можно понизить надобность в крепежах, высверливании лишних отверстий;
- высота гаражных ворот не может быть менее 2,2 м;
- барабан лучше расположить сзади при достаточно низком подъеме;
- у нижнего профиля гаражного полотна должно быть наличие паза, куда устанавливают уплотнитель;
- основным параметром считается масса полотна, приемлемый вес составит 100 кг;
- реверсную самоблокирующуюся лебедку можно устанавливать как привод;
- для установки автоматики лучше использовать автомобильную сигнализацию.

















































