Подключаем межблочные провода и управляющий (REM)
Чтобы проложить кабель, необходимо найти линейный выход на магнитоле. Линейный выход можно распознать по характерным «колокольчикам», что расположены на задней панели магнитолы. Количество линейных выходов отличается в разных моделях магнитол. Обычно их от одной до трёх пар. В основном они распределяются следующим образом 1 пара – можно подключить сабвуфер или 2 колонки (подписаны как SW\F) Если их 2 пары можно подключить 4 колонки или сабвуфер и 2 колонки (выхода подписаны F и SW), и когда на магнитоле 3 пары линейных проводов можно подключить 4 колонки и сабвуфер (F, R, SW) F Это Front т. е. передние колонки, R Read задние колонки, и SW Sabwoorer я думаю и так всем понятно что.
Для соединения потребуется межблочный провод, на котором ни в коем случае нельзя экономить. Запрещается около силовых проводов укладывать межблочный кабель, так как при работе двигателя будут слышны различного рода помехи. Протянуть провода можно как под ковриками салона, так и под потолком. Последний вариант особенно актуален для современных машин, в салоне которых создающих помехи электронных принадлежностей.
Ещё необходимо подключить управляющий провод (REM). Как правило, он идёт вместе с межблочными проводами, но бывает что его и нету, приобретите отдельно необязательно чтобы он был большого сечения 1 мм2 вполне достаточно. Это провод служит управлением для включения усилителя т. е. когда выключаете магнитолу она автоматические включает ваш усилитель или сабвуфер. Как правило этот провод на магнитоле имеет синий цвет с белой полоской, если его нет то используйте синий провод. Подключается он к усилителю к клеме под названием REM.

Для ноутбука
Инструкцией, как сделать собственными руками усилитель для ноутбука, предусмотрена сборка подобного устройства в таких случаях: динамики встроенного типа сломались или имеют низкое качество громкости.

Понадобится обычный усилитель мощностью несколько Ватт при сопротивлении обмоток в 40 Ом. Помимо обычных инструментов для сборки необходима печатная плата, блок питания и микросхема. Выберете самостоятельно корпус, где будут расположены элементы усилителя.

Процесс сборки должен зависеть от скаченного формата микросхемы. Радиатор выбирается такого параметра, чтобы теплопроводимость дала возможность сохранить необходимый температурный режим микросхемы.

Сборка подобного корпуса производится из пластмассовой ёмкости, либо остатков вышедшей из строя аппаратуры, при этом плата крепится посредством винтов.

Что нужно знать о создании простого УЗ
Кроме блока питания есть еще один очень важный центральный элемент домашнего или автомобильного усилителя звука своими руками — операционный усилитель.








Есть модели попроще, которые получают питание однополярное от аналогичного источника. Но большинство действительно хороших усилителей — двухполярные.

Кроме того, при создании звукового усилителя важно понимать, что стандартная модель имеет два входа и один выход. Мы рассмотрим далее изготовление такой модели стерео звукового усилителя, которая и выходов имеет два.

Такое изменение конструкции необходимо, чтобы распределить полученный сигнал на правый и левый выходной динамик.

Микросхема такого звукоусилителя должна иметь не меньше шести выводов. Одна пара нужна для подключения к усилителю блока питания.

Вторая пара — это входная пара для получения сигнала на микросхему. И третья пара — это выходы для получения звука через динамики.

Но в большинстве своем все выглядит иначе и выводов в микросхеме гораздо больше для создания обмоток. Рассмотрим, из чего можно собрать простой усилитель звука.

Зачем нужен автомобильный усилитель звука?
При активации звучания на полную мощность автомагнитолы начинают издавать неприятные для человеческого слуха шумы и хрипы. Это связано с тем, что штатный усилитель для автомобильной аудиосистемы слишком слабый и не справляется с нагрузкой, которая на него возлагается. Особенно если аудиосистема дополнена сабвуфером. Для устранения сторонних и неприятных шумов могут использоваться усилители.
Усилительное устройство не должно изменять звучание, его предназначение заключается в поддержке качества звука на соответствующем уровне.
Канал Treicer100 наглядно дал ответ на вопрос, с какой целью в автомобили устанавливаются усилительные устройства.
Усилитель звука на TEA2025B
TEA2025B питается в широком диапазоне однополярного напряжения: 3…15 В. Выходная мощность в режиме стерео 2 по 2,3 Вт. Нагрузкой являются два динамика, сопротивлением звуковой катушки 4 Ом. Также на микросхему можно подавать и моно сигнал. Тогда нагрузкой будет служить один динамик.

Важно!!! Приучите себя проверять схемы, найденные в интернете, с типовыми схемами включения, приведенными в даташите соответствующей микросхемы. Очень часто встречают ошибки
Поэтому не лишним будет заглянуть в первоисточник. Поскольку производители микросхем в технической документации ошибок не допускают, в отличие от сайтов радиолюбителей.
Мы будем делать стерео усилитель.
Прежде всего, для подключения к выходу звуковой карты компьютера или смартфона или просто к аудиовыходу другого устройства, например приемника или тюнера, нам понадобится аудио штекер.
Аудио штекеры бывают для моно сигнала (однопиновый), стереосигнала (2-х пиновый), стерео с микрофоном (4-х пиновый). В нашем случае необходимо использовать аудио штекер 2-х пиновый и без микрофона.
Один пин – это левый канал. Второй пин – правый канал. Третий контакт – это общий провод для двух каналов.

Во избежание ошибки, место пайки проводов проще всего прозвонить с соответствующими пинами.
И так, штекер готов, но пока что мы его никуда не припаиваем.
Также нам понадобятся два самых простых, но одинаковых по характеристикам динамика. Вполне подойдут динамики, мощность по 3 Вт, сопротивлением звуковой катушки 4 Ом.
Обратите внимание, динамики также имеют полярность, которая обозначает начало и конец звуковой катушки. В дальнейшем нам ее также необходимо придерживаться
Я буду применять блок питания с регулировкой выходного напряжения, который я показывал, как сделать в своем курсе для начинающих электронщиков.
Предварительный усилитель-темброблок
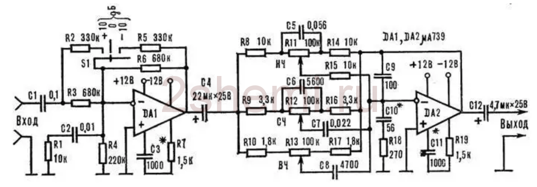
В качестве него была применена схема, не раз проверенная до этого, которая при своей простоте и доступности деталей показывает довольно хорошие характеристики. Схема (как и все последующие) в своё время была опубликована в журнале «Радио» и затем не раз публиковалась на различных сайтах в интернете:

Входной каскад на DA1 содержит переключатель уровня усиления (-10; 0; +10 дБ), что упрощает согласование всего усилителя с различными по уровню источниками сигнала, а на DA2 собран непосредственно регулятор тембров. Схема не капризна к некоторому разбросу номиналов элементов и не требует никакого налаживания. В качестве ОУ можно применить любые микросхемы, применяемые в звуковых трактах усилителей, например здесь (и в последующих схемах) пробовал импортные ВА4558, TL072 и LM2904. Подойдёт любая, но лучше, конечно, выбирать варианты ОУ с возможно меньшим уровнем собственного шума и высоким быстродействием (коэффициентом нарастания входного напряжения). Эти параметры можно посмотреть в справочниках (даташитах). Конечно, здесь вовсе не обязательно применять именно эту схему, вполне можно, например, сделать не трёхполосный, а обычный (стандартный) двухполосный темброблок. Но не «пассивную» схему, а с каскадами усиления-согласования по входу и выходу на транзисторах или ОУ.
Защиту АС собирал по этой схеме

В настройке не нуждается если все собрано верно. Печатные платы будут находится в архиве. При испытаниях с усилителя снял с одного канала 98 ватт, далее он вошел в клиппинг. Как и заявил автор — чистые 100 ватт. Радиаторы использовал от компьютера, от сокета АМ 3+. Без кулеров чертовски греется, так как слишком маленькой площади радиаторы. Решено оставил кулера в работе — сейчас все теплое. Кулера запитал по схеме ШИМ регулятора на таймере NE555.

Далее приступил к сборке второго преобразователя для сабвуферного канала. Схема остается прежней. Есть небольшие изменения по намотке трансформатора. Кольца использовал все те-же, два склееных вместе. Первичка остается прежней. А вот вторичка другая, количество жил прежнее, но витков здесь уже не 15, а 21. На выходе преобразователя получилось +-70 вольт. Для ФНЧ намотал отдельную обмотку проводом 0.8 8 витков. Схема стабилизации остается как в схеме. Также есть еще одна обмотка для питания защиты АС, все аналогично как и в первом преобразователе для Лайкова.
Мощный усилитель звука своими руками

Радиолюбитель, собирающийся сделать систему низкой частоты (УНЧ), должен решить ряд следующих вопросов:
- Элементная база
- Электрические параметры
- Выбор схемы
Современные звуковые системы собираются с применением биполярных или полевых транзисторов и интегральных микросхем. Такие конструкции не требуют высокого напряжения в цепях питания, достаточно компактны и обеспечивают хороший диапазон воспроизводимых частот и низкий процент искажений. Звуковая аппаратура высшего класса собирается на электронных лампах, которые в серийной технике не применяются уже давно. Электрические параметры зависят от того, для какой цели будет использоваться УНЧ. Конструкция, предназначенная для подключения к планшету или компьютеру, не предполагает высокого качества воспроизведения звука.
Для специалиста будет просто собрать своими руками аудио усилитель, обеспечивающий достаточно высокие параметры. В такой конструкции можно использовать мощные транзисторы или микросхемы. Блок может быть предназначен для работы с устройствами, которые выдают мощный выходной сигнал. Тогда предварительный каскад не требуется и достаточно собрать только оконечник. Если устройство предназначено для работы с микрофоном, проигрывателем виниловых дисков или электрогитарой, то придётся собирать полный тракт с предварительным каскадом и регулировками тембра. Оконечный усилитель мощности своими руками можно проще всего собрать на интегральной микросхеме. Такая конструкция собирается на простейшей печатной плате, не требует регулировок, налаживания и при правильной сборке сразу начинает работать.

Конструкция обеспечивает выходную мощность до 20 ватт на канал, работает от напряжения от 10 до 18 В, поэтому может быть использована в автомобиле. Такая мощность обеспечивается при использовании микросхемы TDA1557. Корпус TDA8560Q может выдать до 30 ватт в каждом канале. Для более стабильной работы конструкции при воспроизведении низких частот рекомендуется в фильтре питания использовать 5, соединённых параллельно емкостей по 2200 мкф. Корпус микросхемы сильно нагревается, поэтому её нужно установить на радиатор. Чтобы собрать усилитель звука для колонок своими руками потребуется тестер и паяльник. Осциллограф и генератор для простых схем не используются.
Простейший усилитель звука

Необходимые материалы
Чтобы самостоятельно сделать усилитель, потребуется подготовить:
- микросхему LM386;
- источник постоянного тока напряжением 9 В (батарея типа «Крона» или банка из 6 стандартных 1,5-вольтовых батареек);
- корпус для установки батареек или переходная плата для элемента «Крона»;
- громкоговоритель 1 Ватт с катушкой сопротивлением 8 Ом;
- разъем для подсоединения штекера диаметром 3,5 мм;
- сопротивление номиналом 10 Ом;
- конденсатор емкостью 0,05 мкФ;
- выключатель цепи питания.
Требования к блоку питания
Блоки питания для УМЗЧ (усилитель мощности звуковой частоты) определяют класс устройства. В конструкции изделий предусматриваются фильтры для устранения помех, а выходное напряжение не должно пульсировать. Адаптеры строятся на основе стандартного трансформатора с полупроводниковым мостом выпрямления, импульсные устройства для питания усилителей звука не применяются.
Для устранения пульсации тока в цепи выпрямителя устанавливаются конденсаторы с повышенной емкостью. В базовом усилительном блоке применяется химический источник постоянного тока, в котором отсутствуют источники радиочастотных помех. Недостатком является низкая емкость, которой хватает на 1-3 часа работы оборудования.
Этапы работы
Краткий алгоритм изготовления:
- Нарисовать на листе бумаги схему усилительного блока, что позволит корректно соединить электронные компоненты. Для определения назначения контактов необходимо расположить микросхему полукруглой выемкой от себя.
- Припаять кабель, соединяющий положительный полюс батареи с цепью питания микросхемы. Шнур присоединяется к ножке, отмеченной на корпусе цифрой 6 (вторая позиция снизу на правой стороне чипа).
- Установить в разрыв положительного кабеля питания переключатель, позволяющий управлять работой малогабаритного усилителя.
- Присоединить к нижнему контакту на правой стороне чипа положительный выход конденсатора.
- Соединить отрицательный выход конденсатора с положительной клеммой громкоговорителя. Допускается использование удлинительного медного провода, позволяющего разнести усилительный блок и репродуктор.
- Припаять отрезок кабеля к отрицательному полюсу громкоговорителя. Противоположный конец провода подсоединяется к нижней лапке на левой стороне микросхемы. Дополнительный кабель соединяет нижний контакт со второй точкой сверху, расположенной на левой кромке чипа.
- Присоединить контакт сопротивления к ножке, расположенной между пинами, использованными для коммутации отрицательного вывода динамика.
- Соединить каналы разъема для коммутации внешнего источника звука в общий тракт. Оснастить противоположный вывод резистора удлинительным проводом, который выводится к полученному общему положительному контакту разъема.
- Отрицательный выход разъема заземляется (выводится к отрицательному полюсу динамика). К этой же точке подводится минусовой сигнал от источника питания.
- Установить детали в пластиковый корпус подходящих размеров и конфигурации. Полученная конструкция, собранная из подручных материалов, может использоваться как портативная колонка, которая подключается к смартфону или ноутбуку.
Фото усилителя звука своими руками
































Также рекомендуем просмотреть:
- Вентилятор своими руками
- Прикормка своими руками
- Откатные ворота своими руками
- Ремонт компьютера своими руками
- Станок по дереву своими руками
- Столешница своими руками
- Брусья своими руками
- Лампа своими руками
- Котел своими руками
- Установка кондиционера своими руками
- Отопление своими руками
- Фильтр для воды своими руками
- Как сделать нож своими руками
- Усилитель сигнала своими руками
- Ремонт телевизора своими руками
- Зарядное для аккумулятора своими руками
- Точечная сварка своими руками
- Дымогенератор своими руками
- Металлоискатель своими руками
- Ремонт стиральных машин своими руками
- Ремонт холодильника своими руками
- Антенна своими руками
- Ремонт велосипеда своими руками
- Сварочный аппарат своими руками
- Холодная ковка своими руками
- Трубогиб своими руками
- Дымоход своими руками
- Заземление своими руками
- Стеллаж своими руками
- Блок питания своими руками
- Светильник своими руками
- Жалюзи своими руками
- Светодиодная лента своими руками
- Нивелир своими руками
- Замена ремня ГРМ своими руками
- Лодка своими руками
- Как сделать насос своими руками
- Компрессор своими руками
- Аквариум своими руками
- Сверлильный станок своими руками
Преимущества усилителей на микросхемах

Самое значимое преимущество – это компактность. Вследствие того что радиолампа сама по себе имеет внушительный размер, вся конструкция получается чересчур большой. А вот микросхема имеет очень маленькие размеры: около двух сантиметров — длина, высота — не более одного. А вот толщина ее составляет несколько миллиметров. Конечно, она нуждается в радиаторе, ведь при работе происходит выделение большого количества тепла. Но самое главное – это то, что питание усилителя на микросхемах может осуществляться от постоянного напряжения 12 Вольт. А вот усилитель для сабвуфера, своими руками собранный на лампах, имеет ряд недостатков. Для ламповой техники необходимо использовать напряжение от 150 Вольт (питание анодов). Следовательно, отпадает необходимость в трансформаторах больших габаритов. И также стоит упомянуть про легкость настройки – никакого подбора «минуса» катода и сетки не требуется, что облегчает задачу изготовления. Конечно, если вы желаете сделать качественный усилитель для дома, то можно и воспользоваться схемами на лампах. Звук они выдают поистине красивый.





































